在输入不受系统控制而是连接到外部世界的许多应用中,例如测试设备、仪器仪表和一些传感设备,输入电压可能会超过前端放大器的最大额定电压。在这些应用中,必须实施保护方案以保持设计的生存范围和稳健性。
前端放大器的内部ESD二极管有时用于钳位过压条件,但需要考虑许多因素以确保这些钳位能够提供足够而强大的保护。了解前端放大器内部的各种ESD二极管架构,以及了解给定保护电路的热和电迁移影响,可以帮助设计人员避免其保护电路出现问题并提高其在现场应用的使用寿命。
ESD二极管配置
重要的是要了解并非所有ESD二极管都是连接到电源和接地的简单二极管钳位。可以使用多种可能的实现方式,例如串联多个二极管、二极管和电阻器以及背对背二极管。下面详细介绍了一些更常见的实现。
二极管连接到电源
图1显示了在输入引脚和电源之间连接有二极管的放大器示例。二极管在正常工作条件下反向偏置,但当输入上升到高于正电源电压或低于负电源电压时变为正向偏置。当二极管正向偏置时,电流会通过放大器的输入流到相应的电源。
在图1中的电路的情况下,当过压超过+Vs时,输入电流本身不会受到放大器本身的限制,并且需要以串联电阻器的形式进行外部电流限制。当电压低于–Vs时,400Ω电阻会提供一些电流限制,这应该被纳入任何设计考虑因素。

图1:AD8221的输入ESD拓扑
图2显示了一个具有类似二极管配置的放大器,但在这种情况下,电流受到内部2.2kΩ串联电阻的限制。这与图1所示电路的不同之处不仅在于限制R的值,而且还在于2.2kΩ可防止电压高于+Vs。这是使用ESD二极管时必须充分理解以优化保护的复杂性示例。

图2:AD8250的输入ESD拓扑
限流JFET
与图1和图2中的实施方式相比,限流JFET可以在IC设计中用作二极管钳位的替代方案。图3显示了一个示例,其中当输入电压超过器件的指定工作范围时,JFET用于保护器件。该器件通过JFET输入从相反的电源轨获得高达40V的固有保护。因为JFET会限制进入输入引脚的电流,所以ESD单元不能用作额外的过压保护。
在需要高达40V的电压保护时,该器件的JFET保护提供了一个控制良好、可靠、完全指定的保护选项。这通常与使用ESD二极管进行保护形成对比,其中关于二极管电流限制的信息通常指定为典型信息,或者可能根本没有指定。
图3:AD8226的输入保护方案
二极管堆栈
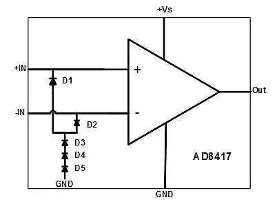
在允许输入电压超过电源电压或接地的应用中,可以使用一组二极管来保护输入免受ESD事件的影响。图4显示了一个实施堆叠二极管保护方案的放大器。在此配置中,二极管串用于防止出现负瞬态。二极管串用于限制可用输入范围内的漏电流,但在超过负共模范围时提供保护。请记住,唯一的电流限制是二极管串的等效串联电阻。外部串联电阻可用于降低给定电压电平的输入电流。
图4:AD8417的低边输入保护方案
背对背二极管
当输入电压范围允许超过电源时,也使用背对背二极管。图4显示了一个放大器,它采用背对背二极管为器件提供ESD保护,该器件允许使用3.3V电源提供高达70V的电压。D4和D5是高压二极管,用于隔离输入引脚上可能存在的高压,D1和D2用于在输入电压在正常工作范围内时防止漏电流。在这种配置中,不建议使用这些ESD单元进行过压保护,因为超过高压二极管的最大反向偏压很容易导致造成永久性损坏的情况。
图5:AD8418的高端输入保护方案
无ESD钳位
某些设备在前端不包括ESD设备。虽然很明显,如果ESD二极管不存在,设计人员就不能使用ESD二极管进行钳位,但在研究过压保护(OVP)选项时,提到这种架构是一种需要注意的情况。图6显示了一个仅使用大值电阻器来保护放大器的设备。
图6:AD8479的输入保护方案
ESD单元作为夹具
除了了解如何实施ESD单元之外,了解如何利用结构进行保护也很重要。在典型应用中,串联电阻用于限制指定电压范围内的电流。
当放大器按图7所示配置或输入受电源二极管保护时,输入电流将使用以下公式中的公式进行限制。
图7:使用ESD单元作为夹具
用于公式1的假设是VstressVsupply。如果不是这种情况,则应测量更精确的二极管电压并将其用于计算,而不是0.7V近似值。
下面是一个计算示例,用于保护使用+/-15V电源的放大器,免受高达+/-120V的输入应力,同时将输入电流限制为1mA。使用等式1,我们可以使用这些输入来计算以下内容。
鉴于这些要求,Rprotection105kΩ会将二极管电流限制为1mA。
了解当前的限制
Idiode的最大值会因部件而异,并且还取决于施加应力的特定应用场景。对于持续几毫秒的一次性事件,与在应用程序的整个20年以上任务配置文件生命周期中不断施加电流的情况下,最大电流将有所不同。可以在绝对最大值部分或应用笔记的放大器数据表中找到有关特定值的指导,通常在1mA-10mA的范围内。
故障模式
给定保护方案的最大额定电流最终将受到两个因素的限制,二极管中耗散功率的热影响和电流路径的最大额定电流。功耗应保持在一个阈值以下,以将工作温度保持在有效范围内,并且应选择电流在指定的最大值内,以避免由于电迁移引起的可靠性问题。
热影响
当电流流入ESD二极管时,由于二极管中的功耗会导致温度升高。大多数放大器数据表都指定了一个热阻(通常指定为ӨJA),该热阻将指示结温如何随功率耗散而增加。考虑最坏情况下的应用温度,以及由于功耗导致的最坏情况温度升高,将表明保护电路的可行性。
电迁移
即使电流不会引起热问题,二极管电流仍然会产生可靠性问题。由于电迁移,任何电信号路径都有一个最大寿命电流额定值。二极管电流路径的电迁移电流限制通常受与二极管串联的内部走线厚度的限制。此信息并不总是针对放大器发布,但如果二极管长时间处于活动状态,而不是瞬态事件,则需要考虑。
电迁移可能成为问题的一个例子是当放大器正在监控并因此连接到独立于其自身电源轨的电压轨时。当有多个电源域时,电源排序可能会导致电压暂时超过绝对最大条件。通过考虑最坏情况下的电流路径、该电流在整个生命周期内可能处于活动状态的持续时间,并了解电迁移的最大允许电流,可以避免由于电迁移引起的可靠性问题。
结论
了解放大器的内部ESD二极管在电气过载事件期间如何被激活,可以简单地改进设计的稳健性。检查保护电路的热和电迁移影响可以突出潜在问题并指出可能需要额外保护的地方。考虑此处列出的条件,设计人员可以做出明智的选择并避免现场潜在的稳健性问题。