

水,是生命之源,是天地精华;水善利万物而不争,处众人之所恶。水为至善至柔,水性绵绵密密,微则无声,巨则汹涌,与人无争却又容纳万物。水分在人体中大约占了三分之二,人类的生存离不开这绵绵之水。拥有一脉纯净的水源,能够让人的生命焕发出蓬勃生机,为人类的健康提供一份质的保障。
饮水溯源让环保走进千家万户
宁静的小村庄,被一条弯弯的河流环绕,炊烟袅袅的人家,依赖这条河流维持每天的生活。曾经清澈的河水,近几年却屡屡被一股不明的混合物所侵袭,而依靠这条河流生存的村民们,逐渐出现了各种身体不适,更甚者得了肝癌和胃癌等要命的重病。曾经的安宁生活被这突如其来的变故打破,人们的生命在悄无声息中遭受着威胁。

随着社会经济的发展,上述的例子在全国范围内正在慢慢变多。水污染问题已经成为人们生活中要面临的重要问题,饮用水安全是中国的当务之急,水质较差的地区会带来健康等一系列问题。我国每年有1.97亿人患病,6万人死于水污染引起的疾病(比如肝癌和胃癌),大约有3亿人面临饮水短缺。人是水养的,也是水害的:世界卫生组织(who)在全球的调查表明,世界80%的疾病由于饮用水污染导致,全世界的医院超过半数挤满了因水污染而患上各种疾病的人,每年有220万人因缺水或者不干净的水源传染的疾病而死亡,其中,儿童占了多数。


责任,是生长在内心深处的纯洁花朵,为身心释放出温润的清香;责任,是倒垂在崖边上的翠绿,为山的生命发挥着周身的力量。拥有责任,才能为他者、为自身带来光和热。当看到水污染给人们生命带来的威胁后,北京鸿效兴华科技有限公司着手开始行动,除了从事水泵系统节能改造服务、照明灯具的节能设计及节能改造之外,重点发展净水系统服务业务。鸿效净水业务颠覆了传统设备出售的销售模式,结合互联网技术,自建直营销服务团队,物流仓储设施,提供优质快捷的净水服务。提供如此多服务的背后,是鸿效科技人内心为大众提供一口健康水的真诚写照。

社会经济的发展,让大众享受了现代化带来的方便,但如今的水源却饱受“侵袭”。我国有24%的人在饮用不良水质的水,3000万人饮用高硬质水,5000万人饮用高氟化物水,加之地下和自然水质的污染,这些数字仍在不断增长中。在水质问题尚未很好地解决时,净水产品就成了解决问题的关键所在。近年来,净水市场呈现迅猛发展,市场需求呈现爆发式增长,净水器逐渐成为家居必备品。

我国净水器一线城市北上广深的普及率不到10%,二三线城市普及率甚至还不到2%,处于发展阶段的净水器市场鱼龙混杂,桶装水如雨后春笋,进入广大家庭中。但目前,市场上流行的桶装水中,大约有40%是不合格用水,并且存在回料桶无限制使用、部分企业用医用针头、光盘类的废弃垃圾经过粉碎处理后加入制桶原料制作“黑桶”、对桶清理的不够彻底等多种情况的桶装水二次污染的情况,让桶装水的质量再一次面临着时代拷问。

即便如此,大众对纯净水的需求仍在不断增加:据中国商务部预测,2016年净水设备整体市场增速保持在59%,净水设备在未来6年的平均复合增长率将达到45%,到2020年我国净水设备的销售额将达到1280亿元。
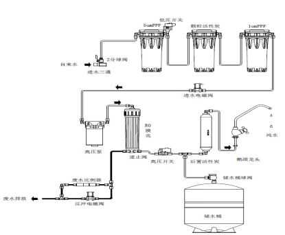
在市场如此广阔、大众对健康饮用水如此急需的情况下,北京鸿效兴华科技有限公司日夜奋斗在前线。在综合了大量数据后,公司推出直饮水系统,针对市场需求,分为家用型智能净水机、商用型立式智能净水机、校园型净水设备、全屋净水设备、中央处理设备、工业水处理设备等多种类型,供大众选择。在生产过程中,为改善口感,公司采用5μmPP棉来滤除水中污泥、悬浮杂质、沙、铁、腐蚀有机物等;用天然椰壳活性炭滤料,滤除水中化学有机物、重金属、色度、异味、氯离子等。

利用1μmCTO活性炭进一步滤除水中颗粒活性炭滤料、异色、异味、重金属,保护RO逆渗透膜,延长其使用寿命。其后置活性碳的主要作用是吸附杂质和异味,改善水的口感,使水变得更加甘甜爽口。5芯RO50制水温热一体机、7芯RO50制水设备、软水机1.5T、中央处理器1.5T/2T/3T/4T、白色温热管线机、黑色温控管线、30/60/90/120升温热平台、幼儿园专用饮水机等产品种类一应俱全。公司的努力,为千家万户的健康饮水提供了一份保障。
用爱心点亮环保的明灯
事物之所以能够长久者,是因为其内在的精华。北京鸿效兴华科技有限公司的技术核心便是RO反渗透膜,反渗透膜的孔径是头发丝的一百万分之五(0.0001微米),一般肉眼无法看到,细菌、病毒是它的5000倍,因此,只有水分子及部分有益人体的矿物离子能够通过。反渗透技术用于饮用水中脱除Ca、Mg、Fe离子等重金属成分、COD、杀虫剂、除草剂、TOC、三卤甲烷中间体、异味、色度、合成洗涤剂,可溶性有机物,及蒸发残留物质。同时,采用石英砂过滤器、活性碳过滤器、精密过滤器,为大众提供一脉干净、纯净的饮水。

公司在发展的过程中,采用了建立专业团队、一站式管家服务的运营模式。用户只需支付服务费,即可享受优质直饮水服务。同时,公司免费对产品进行升级换代,定期上门检测维护,保证用户饮水随制随喝,安全方便。净水器具有工艺先进,水质超达标、优质材料无二次污染、运行稳定可靠、全自动智能化、高效节电效果显著、投资少服务好、超静音超省心等优势,可让广大用户放心使用。与此同时,公司还可根据用户实际需求,为其专业量身定制饮水方案。RO净水技术配以PE食品级配件管材和专业服务方案,让鸿效科技人为大众健康饮水提供了全方位保障。

目前,中石化、中石油、中国建设银行、北京首钢、深圳市公安局、北京大学、深圳市科创委、北京经开等家单位均已使用公司产品。公司在全国多个城市设立办事处,范围已经覆盖了华北、东北、华中、华东、华南及西北地区。

精心管理,精心组织是鸿效科技人始终坚持的管理方针,他们把每位用户的需求当成自身的行动纲领,在项目实施中实行全面管理,确保直饮水项目的顺利进行,并在安装过程中确保安装人员全身心投入项目,高质量、高速度、高水平全面完成直饮水工程项目的安装施工和系统调试,让用户在享用纯净水的过程中,收获一份安心。

爱心是生命中的一座灯塔,它时刻为行人照亮前方的路;爱心是岁月恒河中的一脉清流,它为时光注入了一份希望。用真心为大众服务,才能在时间的考验中留下一道深深的痕迹。北京鸿效兴华科技有限公司在董事长杨春华的领导下,联合中国社会福利基金会、365儿童救助基金启动365爱心净水工程,为中国福利机构提供安全饮水专业设备,并提供优质的维保服务,让每一位孩子、老人、弱势人群能够喝上健康、干净的饮用水,鸿效科技成为了中国社会福利基金会唯一指定净水设备合作商。这些努力,都是因爱而起,都是鸿效科技人对生命敬畏,对大众关爱的一份真诚。

山河岁月,用时光证明坚守的伟大;蟪蛄蜉蝣,用短暂证明生命的宝贵。鸿效科技,则用质量证明自身的实力,除了纯净水外,公司还在水泵系统节能改造服务、照明灯具的节能设计及节能改造方面提供专业服务,并获得了业界的一致好评。公司先后获得国家发改委、财政部备案节能服务企业、ISO9001质量管理体系认证、ISO14001环境管理体系认证、GB/T28001职业健康安全管理体系认证,并参编CJ/T254-2014《管网叠压供水设备》标准制定,这些都证明着鸿效科技人始终用爱心浇筑着服务质量,为社会环保事业呈现的一份诚意。
我国已进入新时代,新时代是创新的时代,是奋斗的时代,是团结的时代,是梦想的时代。要实现人与自然和谐共处的伟大梦想,就必须建设人与自然和谐共生的现代化,形成节约资源和保护环境的空间格局、产业结构、生产方式、生活方式。作为环保事业中的一员,北京鸿效兴华科技有限公司必将秉持时代的号召,努力做出更好的环保产品,为国家环保健康事业奉献一份力量。
2017中国长城人物杨春华
北京鸿效兴华科技有限公司董事长
北京怀柔区木材加工集体企业华森木材公司总经理
北京华通康源科技有限公司董事长
北京鸿效兴华科技有限公司董事长为新长城题词
一脉清水奉大众,
只为环保健康梦;
纯净节约世普照,
将心托举爱铸成。
——长城君语